您當前的位置: 主頁 »KHC氣動平衡器配件
- KAB-160氣動平衡器配件
-
品牌韓國KHC
| 型號 | KAB | |
| 額定載荷 | KHC氣動平衡器配件 | |
| 行程 | ||
| 氣壓 | ||
| 提升速度 | ||
| 耗氣量 | ||
| 重量 | ||
KAB-160氣動平衡器配件
2015-03-16 09:23:01瀏覽: 3994次
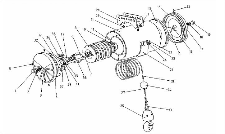
KAB-160氣動平衡器,是韓國KHC單繩索式氣動平衡器,龍海起重提供原裝進口KAB-160氣動平衡器配件,承諾均為原廠配件!
KAB-160氣動平衡器組成部件:

| 序號 | 型號 | 描述 | 數量 | 序號 | 型號 | 描述 | 數量 | |
| 1 | KAB-000-1001 | 螺栓(端蓋B) | 1 | 22 | KAB-160-1024 | 導向板 | 1 | |
| 2 | KAB-000-1002 | 墊片 | 2 | 23 | KAB-160-1025 | 內六角螺釘 | 1 | |
| 3 | KAB-000-1003 | 墊圈插銷 | 2 | 24 | KAB-000-1026 | 停止球 | 1 | |
| 4 | KAB-160-1004 | 端蓋(B) | 1 | 25 | KAB-000-1027 | 掛鉤組件 | 1 | |
| 5 | KAB-000-1005 | 內六角螺釘 | 4 | 26 | KAB-160-1028 | 彈簧墊圈 | 1 | |
| 6 | KAB-000-4000 | 滾珠螺桿組件 | 1 | 27 | KAB-000-1029 | U型夾子 | 1 | |
| 7 | KAB-000-1009 | 滾珠螺桿固定銷 | 1 | 28 | KAB-160-1031 | 支撐架組件 | 1 | |
| 8 | KAB-000-1010 | 絲鼓 | 1 | 29 | KAB-160-1035 | 螺栓 | 2 | |
| 9 | KAB-000-1011 | 推力軸承 | 1 | 30 | KAB-160-1036 | 固定螺帽 | 2 | |
| 10 | KAB-000-1012 | 軸承承托 | 1 | 31 | KAB-160-1037 | 墊片 | ||
| 11 | KAB-100-1013 | 筒體組件 | 1 | 32 | KAB-160-7001 | (防倒轉)棘齒輪 | 5 | |
| 12 | KAB-160-1014 | 活塞組件 | 1 | 33 | KAB-160-7002 | 制動轉子 | 1 | |
| 13 | KAB-000-1015 | 鋼絲繩保護導向 | 1 | 34 | KAB-160-7003 | 制動轉桿 | 1 | |
| 14 | KAB-000-1016 | 滾珠螺帽 | 1 | 35 | KAB-000-7004 | 插銷 | 1 | |
| 15 | KAB-000-1017 | O型圈 | 1 | 36 | KAB-000-7005 | 軸承承托 | 1 | |
| 16 | KAB-000-1018 | O型圈 | 1 | 37 | KAB-000-7006 | 彈簧 | 1 | |
| 17 | KAB-000-1019 | 端蓋(M) | 1 | 38 | KAB-000-7007 | 制動桿 | 1 | |
| 18 | KAB-000-1020 | 墊片 | 2 | 39 | KAB-000-7008 | 軸承 | 1 | |
| 19 | KAB-000-1021 | 螺栓(端蓋M) | 1 | 40 | KAB-000-7009 | 吹氣螺孔 | 2 | |
| 20 | KAB-000-1022 | 鋼絲繩 | 1 | 41 | KAB-000-7010 | 內六角螺釘 | 4 | |
| 21 | KAB-000-1023 | 鋼絲繩導向槽 | 1 |
產品詳情頁面:KAB-160型氣動平衡器